※일반적으로 휨 부재(보, 슬래브)를 다룬다.
※제 3장과 한 단원이라 생각해야 한다.
1. 강도설계법
(1)개념: 구조물이 파괴점 또는 파괴점 부근에 있다고 보고 어떠한 초과하중에 대해서도 안전하도록 설계하는 방법이다.

※강도설계법은 최악의 상황을 고려(외력을 크게)해서 초과하중이 작용하는 것으로 보고, 설계자의 실수를 감안하여 강도감소계수로 설계강도를 줄인다.
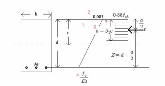
(2)기본가정(암기): 휨모멘트와 축력을 받는 부재의 강도설계는 다음 규정된 가정에 따라야 하며, 힘의 평형조건과 변형률 적합조건으로 만족시켜야 한다.

1)철근 및 콘크리트의 변형률은 중립축으로부터 거리에 비례하는 것으로 가정할 수 있다.
2)압축측 연단에서의 콘크리트 극한 변형률은 0.003으로 가정한다.(취성재료)
3)철근의 응력이 설계기준항복강도 fy이하일 때, 철근의 응력은 그 변형률에 Es를 곱한 값으로 하고, 철근의 변형률이 fy에 대응하는 변형률보다 큰 경우 철근의 응력은 변형률에 관계없이 fy로 하여야 한다.

4)축강도와 휨강도 계산에서 콘크리트의 인장강도는 무시한다.
5)콘크리트의 압축응력은 직사각형, 사다리꼴 등의 어떤 형상으로도 가정할 수 있다.
6)콘크리트의 압축응력은 다음에 정의되는 등가 직사각형 응력블록으로 나타낼 수 있다.
①단면의 가장자리와 최대압축변형률이 일어나는 연단부터 a=베타1*c거리에 있고 중립축과 평행한 직선에 의해 이루어지는 등가압축 영역에 0.85fck인 콘크리트 응력이 등분포하는 것으로 가정한다.
②최대변형률이 발생하는 압축연단에서 중립축까지 거리 c는 중립축에 대해 직각방향으로 측정한 것으로 한다.
③계수 배타1은 fck≤28MPa에서는 0.85이고 28MPa을 초과할 경우 매 1MPa의 강도에 대하여 베타1의 값을 0.007씩 감소시킨다. 그러나 그 값은 0.65보다 작지 않게 한다.

(3)계수하중(Factored Load, U)
:계수하중은 사용하중에 하중(증가)계수를 곱한 하중으로 강도설계법의 설계하중이다.
1)기본조합
·U=1.2D+1.6L≥1.4D (여기서, D: 고정하중, L: 활하중, D가 L보다 많이 큰 경우에 1.4D를 쓴다.)
(4)강도감소계수(파이)-신뢰도
|
적용 부재 |
강도감소계수(파이) |
|
|
인장지배 단면(휨) |
0.85 |
|
|
변화구간단면(=전이구역) |
0.65(0.70)~0.85 직선 보간 |
|
|
전단력과 비틀림 모멘트 |
0.75 |
|
|
압축지배 단면 |
나선철근 기둥 |
0.70 |
|
띠철근 기둥 |
0.65 |
|
|
콘크리트 지압력(포스트텐션 정착부나 스트럿-타이 모델 제외) |
0.65 |
|
|
무근콘크리트의 휨모멘트, 압축력, 전단력, 지압력 |
0.55 |
|
※인장지배의 경우, 철근이 주도권을 잡아 연성파괴가 일어나기에 0.85로서 신뢰도가 높다.
※e_t-phi 선도

※변화구간의 강도감소계수 구하기

※e_t,min, e_t,max 구하는 방법
|
fy |
e_t,min(=e_y) |
e_t,max(e_t,min*2.5) ≥0.005 |
|
300 |
0.0015 |
0.005 |
|
350 |
0.00175 |
0.005 |
|
400 |
0.002 |
0.005 |
|
500 |
0.0025 |
0.00625 |
|
600 |
0.003 |
0.0075 |
(5)강도설계법에 의한 설계

(M_d: 설계강도, phi: 시공오차, M_n: 공칭강도, M_u:극한강도, 계수, 소요강도)
'토목기사 > 철큰콘크리트 및 강구조' 카테고리의 다른 글
| [철근콘크리트와 강구조] 제 3장. 보의 휨설계(사용성 및 내구성)#3 (0) | 2019.07.28 |
|---|---|
| [철근콘크리트와 강구조] 제 3장. 보의 휨설계(복철근 직사각형 보/T형 단면보)#2 (0) | 2019.07.28 |
| [철근콘크리트와 강구조] 제 3장. 보의 휨설계(단철근 직사각형 보)#1 (0) | 2019.07.20 |
| [철근콘크리트와 강구조] 제 1장. 철근콘크리트의 기본개념(콘크리트의 성질/철근의 종류 및 성질)#2 (0) | 2019.07.20 |
| [철근콘크리트와 강구조] 제 1장. 철근콘크리트의 기본개념(철근콘크리트의 성립/콘크리트의 강도(실기))#1 (0) | 2019.07.20 |
댓글