1. 기초
(1)기초의 필요조건
1)최소한 근입깊이(D_f)를 보유하야 한다.(동해에 대하여 안전해야 한다.)
2)침하에 대해 안정해야 한다.(침하량이 허용치 이내에 들어야 한다.)
3)지지력에 대해 안정하야 한다.
4)경제적, 기술적으로 시공이 가능하여야 한다.
(2)기초의 분류
1)직접 기초(얕은 기초)
·D_f/B≤1인 기초를 직접 기초라 한다.
①푸팅 기초(확대 기초, Footing foundation)
·독립 푸팅 기초: 한 개의 기둥만 지지하는 기초
·복합 푸팅 기초: 2개 이상의 기둥을 지지하는 기초
·캔틸레버 푸팅 기초: 스트럽(strap)이라 부르는 보로 2개의 푸팅을 연결한 복합 푸팅 기초
·연속 푸팅 기초: 일련의 기둥이나 벽체를 지지하는 기초
②전면 기초(Mat 기초): 기초바닥 면적이 시공 면적의 2/3이상인 경우이며, 연약 지반에 많이 사용한다.
※지지력 대소 비교
독립>켄틸레버>복합>연속>전면
2)깊은 기초(Deep foundation)
·D_f/B>1인 기초를 깊은 기초라 한다.
·말뚝 기초
·피어 기초(D60 이상의 대형 기초)
·케이슨 기초(수평 저항력이 가장 크다.)
(2)지반의 파괴형태
|
파괴 형태 |
특징 |
|
전반전단파괴 |
·흙 전체가 전단파괴된다. ·모래, 굳은 점토에서 발생한다. |
|
국부전단파괴 |
·국부적으로 전단파괴가 생긴다 ·느슨한 모래, 점토에서 발생한다. |
|
펀칭전단파괴 |
·큰 침하가 발생한다. ·기초 폭에 비해 근입깊이가 클 때 발생한다. |
2. 얕은 기초의 지지력
(1)Terzaghi의 수정 극한지지력 공식
1)일반식
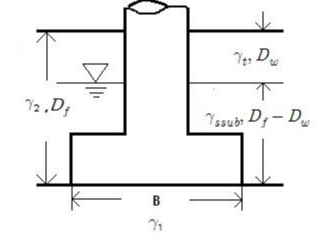
①공식: 극한지지력은 점착지지력과 마찰지지력, 덮개토압에 의한 지지력으로 이루어진다.

(여기서, alpha, beta : 기초 모양에 따른 형상계수(Shape factor), c: 기초바닥 아래 흙의 점착력(t/m^2), N_c, N_f, N_q: 지지력계수(내부마찰각 phi에 의해 결정됨), gamma_1: 기초바닥 아래 흙의 단위중량(t/m^3), B: 기초의 최소폭(m), gamma_2: 근입깊이 흙의 단위중량(t/m^3), D_f: 근입깊이(m))
※모래는→ c=0이다.
※점토는→ phi=0DEG이므로 N_f가 0이 된다.
※기초가 지평면 위에 있다면 D_f가 0이 된다.
②형상계수
|
|
연속 |
정사각형 |
원형 |
직사각형 |
|
alpha |
1.0 |
1.3 |
1.3 |
1+0.3B/L |
|
beta |
0.5 |
0.4 |
0.3 |
0.5-0.1B/L |
여기서, B: 기초바닥의 짧은 변의 길이, L: 기초바닥의 긴 변의 길이
(2)지하수위의 영향
1)지하수위가 기초의 저면에 위치한 경우



2)지하수위가 지평면과 일치하는 경우


3)지하수위가 기초의 저면보다 위에 위치한 경우


4)지하수위가 기초 저면보다 밑에 위치한 경우
①D<B인 경우


②D≥B인 경우: 기초바닥에서 지하수위까지의 연직거리가 기초폭(B)보다 큰 경우는 지지력에 영향이 없다.
(3)Meyerhof 공식(모래 지반의 극한지지력)

(여기서, N: 표준 관입 시험의 N값(정수로 주어지며, 제 5장 전단강도 표준관입시험에서 나옴))
3. 말뚝 기초(Pile foundation)
(1)현장콘크리트 말뚝(Cast-in-place concrete pile)
1)Franky 말뚝
①콘크리트를 외관 속에 채워서 Drop hammer로 콘크리트를 타격하여 소정의 깊이까지 관입한 후 콘크리트를 타격하여 구근을 형성한 후 외관을 잡아 빼면서 콘크리트를 다져 말뚝을 만든다.
②무각이고, 소음 진동이 작아 시가지 공사에 적당하다.
2)Pedestal 말뚝
①케이싱을 직접 타격하여 내관과 외관을 지반에 관입한 후 선단부에 구근을 만들고 콘크리트를 투입 케이싱을 인상 다짐을 되풀이하여 말뚝을 만든다.
②무각이고, 헤머(Hammer)가 직접 케이싱을 타격하므로 소음이 크다.
3)Raymond 말뚝
①내, 외관을 동시에 지중에 관입한 후 내관을 빼내고 외관 속에 콘크리트를 쳐서 말뚝을 만든다.
②유각이고, 구근을 형성하지 않으나 굳은 지반의 시공이 가능하다.
그 외, Simplex 말뚝, Compressol 말뚝
'토목기사 > 토질 및 기초' 카테고리의 다른 글
| [토질 및 기초] 제 10장. 연약지반 개량공법(연약지반 개량공법의 종류/점토지반 개량공법/토질조사(지반조사))#1 (0) | 2019.11.24 |
|---|---|
| [토질 및 기초] 제 9장. 기초(말뚝의 지지력/부마찰력과 군말뚝/피어 기초(Pier foundation))#2 (0) | 2019.11.23 |
| [토질 및 기초] 제 7장. 사면의 안정(사면/유한사면의 안정/(반)무한사면의 안정)#1 (1) | 2019.10.07 |
| [토질 및 기초] 제 6장. (횡방향) 토압(토압의 이론/Rankine의 토압이론/점성토의 토압과 Coulomb의 토압론)#1 (0) | 2019.10.06 |
| [토질 및 기초] 제 5장. 흙의 전단강도(토질에 따른 전단특성/현장에서의 전단강도 측정/간극수압계수 및 응력경로)#2 (0) | 2019.10.05 |
댓글