3. 토질에 따른 전단특성
(1)점토지반의 전단특성
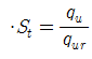
1)예민비(Sensivity, S_t)
①개요: 교란된 흙에 대한 교란되지 않은 흙의 일축압축강도의 비를 예민비라 한다.
②Terzaghi 공식
(여기서, q_u: 자연상태(불교란) 시료의 일축압축강도, q_ur(remolding): 흐트러진(교란) 시료의 일축압축강도)
③예민비에 따른 점토의 분류
예민비(S_t) |
점토의 분류 |
공학적 성질 |
S_t≒1 |
비예민성 점토 |
밑으로 갈수록 -강도의 변화가 크다. -공학적 성질이 나쁘다. -설계시 안전율을 크게 잡아야 한다. |
1~8 |
예민성 점토 |
|
8~64 |
Quick clay |
|
S_t>64 |
Extra quick clay |
4. 현장에서의 전단강도 측정
(1)표준관입 시험(Standard Penetration Test, SPT)
1)목적
①현장 지반의 강도를 추정(N값)
②흐트러진 시료 채취
2)N값
: 보링을 한 구멍에 스플릿 스푼 샘플러를 넣고, 처음 흐트러진 시료 15cm 관입한 후 63.5kg의 해머로 76cm 높이에서 자유 낙하시켜 샘플러를 30cm 관입시키는데 필요한 타격횟수를 표준관입시험 값, 또는 N값이라 한다.
3)N값과 phi의 관계
①Dunham 공식
※모난것이 좋음, 둥근 것이 나쁨
4)N값과 모래의 상대밀도의 관계
N값 |
상대밀도 |
2~4 |
아주 느슨 |
4~10 |
느슨 |
10~30 |
보통 |
30~50 |
조밀 |
50이상 |
아주 조밀 |
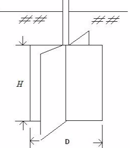
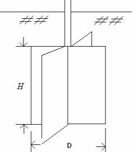
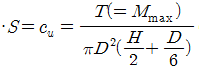
(2)베인전단 시험(Vane shear Test)
1)적용범위: 깊이 10cm 미만의 연약한 점토지반의 점착력을 측정하는 시험이다.
2)전단강도
(여기서, c_u: 점착력(kg/cm^2), T: 회전저항모멘트(kg cm), D: 날개의 폭(cm), H: 날개의 높이(cm)≒2D)
3)이용: 비배수 조건(phi=0도)에서의 사면안정해석에 이용된다.
5. 간극수압계수 및 응력경로
※제 5장 #1 2. (4) 같이 봐야한다.
(1)간극수압계수
1)등방압축시 공극수압계수(B계수)
(여기서, 델타sigma_3: 구속응력 변화량, 델타u: 델타sigma_3에 의한 간극수압 변화량)
①완전포화(S=100%)이면, B=1이다.
②완전건조(S=0%)이면, B=0이다.
③불포화 흙의 공극수압계수 B는 0과 1사이이다.
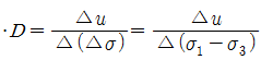
2)일축압축시 공극수압계수(D계수)
(여기서, 델타(델타sigma): 축차응력 변화량)
4)삼축압축시공극수압계수(A계수)
4)간극수압계수는 흙의 전단 변형률, 흙의 종류에 따라 다르나 일반적으로 다음과 같다.
㉠정규압밀점토(OCR=1)의 A값: 0.5~1
㉡과압밀된점토(OCR>1)의 A값: -0.5~0
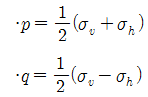
(2)응력경로(Stress path, K_f선)
1)개요: 응력이 변화하는 동안 각 응력상태에 대한 Mohr원의 (p,q) 점들을 연결하는 선으로 지반 내 임의의 요소에 작용되어온 하중의 변화과정을 응력평면 위에 나타낸 것을 응력경로라 한다.
2)종류
①전응력경로(Total stress path, TSP)
②유효응력경로(Effective stress path, ESP)
3)특징
①압밀 비배수 시험(CU-test)
-전응력경로는 모두 오른쪽으로 그려지고 동일한 직선이다.
-정규압밀점토의 유효응력경로는 왼쪽 상향으로 휘어진다.
-과압밀점토의 유효응력경로는 오른쪽 상향으로 휘어진다.
②압밀배수 시험(CD-test)
-점토를 압밀 배수 시험을 하면 공극수압이 항상 0이므로 전응력경로와 유효응력경로는 일치한다.
(3)K_f선(응력경로)과 phi선(Mohr-Coulomb의 파괴포락선)의 상관관계(실기)
: 파괴시 Mohr 원의 (p,q)점을 연결한 선을 K_f선이라 한다.
※암기법: 담배 파이프를 사러 신탄진 앞에
※암기법: 가고 파라.
'토목기사 > 토질 및 기초' 카테고리의 다른 글
[토질 및 기초] 제 7장. 사면의 안정(사면/유한사면의 안정/(반)무한사면의 안정)#1 (1) | 2019.10.07 |
---|---|
[토질 및 기초] 제 6장. (횡방향) 토압(토압의 이론/Rankine의 토압이론/점성토의 토압과 Coulomb의 토압론)#1 (0) | 2019.10.06 |
[토질 및 기초] 제 5장. 흙의 전단강도(Mohr- Coulomb의 파괴이론/전단강도정수를 결정하기 위한 시험)#1 (0) | 2019.10.04 |
[토질 및 기초] 제 8장. 흙의 다짐(다짐의 효과)#2 (0) | 2019.10.04 |
[토질 및 기초] 제 8장. 흙의 다짐(다짐이론)#1 (0) | 2019.10.03 |
댓글